
Задвижки клиновые чугунные с обрезиненным клином и невыдвижным шпинделем Ду 40-1000 мм Ру 1,0 - 1,6 Мпа
Характеристики
- Стандарты: ГОСТ 5762-2002
- Рабочая среда: Вода, жидкие неагрессивные среды
- Температура рабочей среды: До +150°С
- Присоединение к трубопроводу: фланцевое
- Управление: маховик/редуктор/электропривод
- Климатическое исполнение: У
- Класс герметичности: ПО ГОСТ 9544-2015 "А"
- Установочное положение: Допускается любое, кроме положения - маховиком вниз
- Виды установок: наземная/колодезная/подземная с засыпкой в траншее
- Гарантийный срок эксплуатации: 18 месяцев со дня ввода в эксплуатацию
- Обязательная сопроводительная документация: сертификат соответствия, разрешение на применение ЧС, сертификат происхождения формы СТ-KZ
- Комплектация по запросу : комплект ответных фланцев, крепежа и прокладок

Материалы основных деталей:
1 - Корпус: Высокопрочный чугун ВЧ50, GGG50
2 - Клин: Высокопрочный чугун ВЧ50 + резина, GGG50 + NBR
3 - Крышка: Высокопрочный чугун ВЧ50, GGG50
4 - Шпиндель: Сталь 20X13, AISI 420
5 - Прокладка в соединении “корпус-крышка”: EPDM
6 - Сальник: Резина, NBR
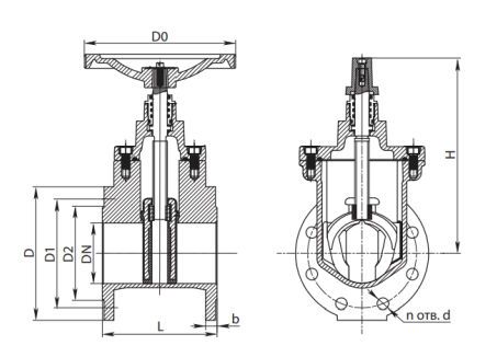
DN 40…1000 мм PN 1,0; 1,6 МПа


DN 50…800 мм PN 1,0; 1,6 МПа

